لوگوی نماشا لوگوی نماشا
ورود / ثبت نام
شرکت سیلاب جنوب
شرکت سیلاب جنوب شرکت سیلاب جنوب شرکت مهاب گستر
شرکت سیلاب جنوب

شرکت سیلاب جنوب

خانه لیست‌های پخش دنبال کنندگان لایک‌ها درباره
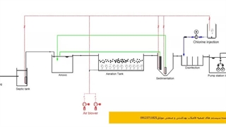
پکیج تصفیه فاضلاب چطور کار می کند ۱۱:۰۲

پکیج تصفیه فاضلاب چطور کار می کند

پارسال
آموزش نحوه کار پکیج تصفیه فاضلاب ۱۵:۰۱

آموزش نحوه کار پکیج تصفیه فاضلاب

پارسال
کلیه حقوق محفوظ است ۱۴۰۴ نماشا
فرصت‌های شغلی حریم خصوصی کاربران قوانین و مقررات درخواست کانال رسمی لوگوی نماشا تبلیغات گزارش تخلف تماس با ما
سرگرمی و طنز
ورزشی
کارتون و انیمیشن
علم و فن آوری
خودرو و وسایل نقلیه
آموزش
موسیقی و هنر
اخبار و سیاست
حیوانات و طبیعت
بازی
حوادث
مذهبی

اشتراک‌گذاری

Loading...

افزودن به لیست پخش

Loading...
ورود به حساب کاربری ثبت نام
حالت تاریک

ورود به حساب کاربری